单元电路是指某一级控制器电路,或某一级放大器电路,或某一个振荡器电路、变频器电路等,它是能够完成某一电路功能的最小电路单位。从广义上讲,一个集成电路的应用电路也是一个单元电路。 学习整机电子电路工作原理过程中,单元电路图是首先遇到的具有完整功能的电路图,这一电路图概念的提出,完全是为了方便电路工作原理分析之需要。 1.单元电路图功能 单元电路图具有下列一些功能。 (1)单元电路图主要用来讲述电路的工作原理。 (2)单元电路图能够完整地表达某一级电路的结构和工作原理,有时还会全部标出电路中各元器件的参数,如标称阻值、标称容量和三极管型号等。如图1所示,图中标出了可变电阻器和电阻器的阻值。
图1示意图
(3)单元电路图对深入理解电路的工作原理和记忆电路的结构、组成很有帮助。 2.单元电路图特点 单元电路图主要是为了分析某个单元电路工作原理的方便,而单独将这部分电路画出的电路图,所以在图中已省去了与该单元电路无关的其他元器件和有关的连线、符号,这样,单元电路图就显得比较简洁、清楚,识图时没有其他电路的干扰,这是单元电路的一个重要特点。单元电路图中对电源、输入端和输出端已经进行了简化。图2所示是一个单元电路。
图2 单元电路图示意图
(1)电源表示方法。电路图中,用 V表示直流工作电压,其中正号表示采用正极性直流电压给电路供电,地端接电源的负极;用-V表示直流工作电压,其中负号表示采用负极性直流电压给电路供电,地端接电源的正极。 (2)输入和输出信号表示方法。Ui表示输入信号,是这一单元电路所要放大或处理的信号;Uo表示输出信号,是经过这一单元电路放大或处理后的信号。 重要提示 通过单元电路图中这样的标注可方便地找出电源端、输入端和输出端,而在实际电路中,这三个端点的电路均与整机电路中的其他电路相连,没有 V、Ui、Uo的标注,将会给初学者识图造成一定的困难。 例如:见到Ui可以知道信号是通过电容C1加到三极管VT1基极的;见到Uo可以知道信号是从三极管VT1集电极输出的。这相当于在电路图中标出了放大器的输入端和输出端,无疑大大方便了电路工作原理的分析。 (3)单元电路图采用习惯画法,一看就明白。例如元器件采用习惯画法,各元器件之间采用最短的连线,而在实际的整机电路图中,由于受电路中其他单元电路元器件的制约,该单元电路中的有关元器件画得比较乱,有的在画法上不是常见的画法,甚至个别元器件画得与该单元电路相距较远,这样,电路中的连线很长且弯弯曲曲,从而造成电路识图和电路工作原理理解的不方便。 重要提示 单元电路图只出现在讲解电路工作原理的书刊中,实用电路图中是不出现的。对单元电路的学习是学好电子电路工作原理的关键。只有掌握了单元电路的工作原理,才能去分析整机电路。 3.单元电路图识图方法 单元电路的种类繁多,而各种单元电路的具体识图方法有所不同,这里只对具有共性的问题说明几点。 (1)有源电路分析。有源电路就是需要直流电压才能工作的电路,例如放大器电路。对有源电路的识图,首先分析直流电压供给电路,此时将电路图中的所有电容器看成开路(因为电容器具有隔直特性),将所有电感器看成短路(电感器具有通直的特性)。图3所示是直流电路分析示意图。
图3 直流电路分析示意图
在整机电路的直流电路分析中,电路分析的方向一般是先从右向左,因为电源电路通常画在整机电路图的右侧下方。图4所示是整机电路图中电源电路位置示意图。
 图4 整机电路图中电源电路位置示意图
对具体单元电路的直流电路进行分析时,再从上向下分析,因为直流电压供给电路通常画在电路图的上方。图5所示是某单元电路直流电路分析方向示意图。
图5 某单元电路直流电路分析方向示意图
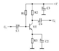
元器件作用分析就是搞懂电路中各元器件起什么作用,主要从直流电路和交流电路两个角度去分析。 举例说明:图6所示是发射极负反馈电阻电路。R1是VT1管发射极电阻,对直流而言,它为VT1管提供发射极直流电流回路,为三极元器件作用分析就是搞懂电路中各元器件起什么作用,主要从直流电路和交流电路两个角度去分析。 举例说明:图6所示是发射极负反馈电阻电路。R1是VT1管发射极电阻,对直流而言,它为VT1管提供发射极直流电流回路,为三极 (2)信号传输过程分析。信号传输过程分析就是分析信号在该单元电路中如何从输入端传输到输出端,信号在这一传输过程中受到了怎样的处理(如放大、衰减、控制等)。图6所示是信号传输的分析方向示意图,一般是从左向右进行。
图6 信号传输的分析方向示意图
(3)元器件作用分析。对电路中元器件作用的分析非常关键,能不能看懂电路的工作其实就是能不能搞懂电路中各元器件的作用。管能够进入放大状态提供条件之一。
图7 发射极负反馈电阻电路
对于交流信号而言,VT1管发射极输出的交流信号电流流过了R1,使R1产生交流负反馈作用,能够改善放大器的性能。而且,发射极负反馈电阻R1的阻值愈大,其交流负反馈愈强,性能改善得愈好。 (4)电路故障分析。要注意的是,在搞懂电路工作原理之后,对元器件的故障分析才会变得比较简单,否则电路故障分析寸步难行。 电路故障分析就是分析当电路中元器件出现开路、短路、性能变劣后,对整个电路的工作会造成什么样的不良影响,使输出信号出现什么故障现象,例如出现无输出信号、输出信号小、信号失真、出现噪声等故障。 举例说明:图8所示是电源开关电路,S1是电源开关。分析电路故障时,假设电源开关S1出现下列两种可能的故障。
图8 电源开关电路
一是接触不良。由于S1在接通时两触点之间不能接通,电压无法加到电源变压器T1中,电路无电压而不能正常工作。如果是S1两触点之间的接触电阻大,这样S1接通时开关两触点之间存在较大的电压降,使加到T1一次绕组(又称初级绕组、初级线圈)的电压下降,从而使电源变压器T1二次绕组(又称次级绕组、次级线圈)输出电压低。 二是开关S1断开电阻小。当开关S1断开电阻小时,在S1断开时仍然有一部分电压加到T1一次绕组,使电路不能彻底断电,机器的安全性能差。 重要提示 整机电路中的各种功能单元电路繁多,许多单元电路的工作原理十分复杂,若在整机电路中直接进行分析就显得比较困难;而在对单元电路图分析之后,再去分析整机电路就显得比较简单,所以单元电路图的识图也是为整机电路分析服务的。 |