电动机双重互锁正反转控制电路
时间:2023-03-09来源:佚名
|
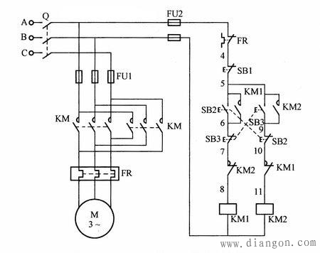
只采用复合按钮的互锁保护是不太可靠的,实际工作中由于负载短路或大电流的长期作用,接触器的主触点有可能被强烈的电弧“烧焊”在一起;或因为接触器的机构失灵,使衔铁卡住而总是处于吸合状态。这时,如果另一个接触器正好得电吸合,就会发生电源短路故障。为此,在电路中再分别串接两接触器的常闭触点,可起到双重互锁的作用。 如下图所示,图中SB2和SB3均为复合按钮,合上电源开关Q,按下起动按钮SB2,其常闭触点SB2断开,使接触器KM2不得电;常开触点SB2接通,使接触器KM1得电吸合并自锁,其主触点闭合,接通电源,电动机正向起动运转。这时KM1的常闭触点KM1断开,进一步保证KM2不得电。
当需要电动机反转时,按下反向按钮SB3,其常开触点SB3断开,使接触器KM1断电释放,主触点断开,切除了电动机的电源,电动机断电而慢慢停止,同时SB3的常开触点闭合,又由于KM1的常闭辅助触点恢复闭合,使得接触器KM2得电吸合并自锁,其主触点闭合,将电动机的两相电源对调,电动机反向转动。这时KM2的常闭触点断开,确保KM1断电。如果要电动机停止,只需要按下停止按钮SB1即可。 |






