1、根据图E-116说明线路方向过电流保护的构成及动作过程。
方向过流的保护原理接线如图E-116所示,电流继电器3、5是启动元件,功率方向继电器4、6是方向元件,采用90°接线(UbcIA及UabIc)。各相电流继电器的触点和对应功率方向继电器触点串联,以达到按相启动的作用。时间继电器7是使保护装置获得必要的动作时限,其触点闭合,经信号继电器8发出跳闸脉冲,使断路器QF跳闸。
方向过电流保护,由于加装了功率方向继电器,因此线路发生短路时,虽然电流继电器都可能动作,但只有流入功率方向继电器的电流与功率方向继电器规定的方向一致时(当规定指向线路时,即一次电流从母线流向线路时),功率方向继电器才动作,从而使断路器跳闸。而当流入功率方向继电器的电流与功率方向继电器规定的方向相反时(即一次电流从线路流向母线时),功率方向继电器不动作,将方向过电流保护闭锁,保证了方向过电流保护的选择性。
在正常运行时,负荷电流的方向也可能符合功率方向继电器的动作方向,其触点闭合,但此时电流继电器未动作,所以整套方向过电流保护仍被闭锁不动作。
方向过电流保护的动作时限,是将动作方向一致的保护,按逆向阶梯原则进行整定的。

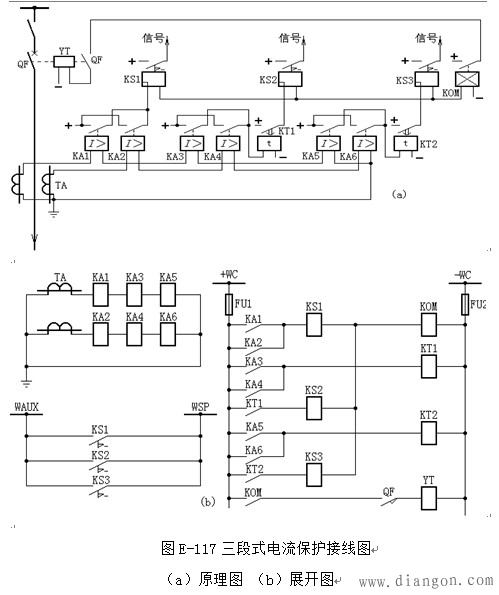
2、根据图E-117说明输电线路三段式电流保护的构成及动作过程。
线路三段式电流保护的原理接线图及展开图如图E-117所示。其中KA1、KA2、KS1构成第Ⅰ段瞬时电流速断;KA3、KA4、KT1、KS2构成第Ⅱ段限时电流速断;KA5、KA6、KT2、KS3构成第Ⅲ段定时限过电流。三段保护均作用于一个公共的出口中间继电器KOM,任何一段保护动作均启动KOM,使断路器跳闸,同时相应段的信号继电器动作掉牌,值班人员便可从其掉牌指示判断是哪套保护动作,进而对故障的大概范围作出判断。

3、根据图E-118说明线路三段式零序电流保护的构成及动作过程。
三段式零序电流保护的原理接线如图E-118,在被保护线路的三相上分别装设型号和变比完全相同的电流互感器,将它们的二次绕组互相并联,然后接至电流继电器的线圈。当正常运行和发生相间故障时,电网中没有零序电流,故IR=0,继电器不动作,只有发生接地故障时,才出现零序电流,如其值超过整定值,继电器就动作。
实际工作中,由于三只电流互感器的励磁特性不一致,当发生相间故障时,会造成较大的不平衡电流。为了使保护装置在这种情况下不误动作,通常将保护的动作电流按躲过最大不平衡电流来整定。
与相间短路的电流保护相同,零序电流保护也采用阶段式保护,通常采用三段式。目前的“四统一”保护屏则采用四段式。图E-118为三段式零序电流保护的原理接线图。瞬时零序电流速断(零序Ⅰ段有,由KA1、KM和KS7构成),一般取保护线路末端接地短路时,流过保护装置3倍最大零序电流3Iom的1.3倍,保护范围不小于线路全长的15%~25%。
零序Ⅱ段(由KA3、KT4和KS8构成)的整定电流,一般取下一级线路的零序Ⅰ段整定电流的1.2倍,时限0.5s,保证在本线末端单相接地时,可靠动作。
零序Ⅲ段(由KA5、KT6和KS9构成)的整定电流可取零序Ⅱ(或Ⅲ)段整定的1.2倍,或大于三相短路的最大不平衡电流,其灵敏性要求下一级末端故障时,能可靠动作。

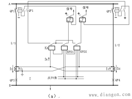
4、根据图E-119说明双回线的横联差动保护的构成及动作过程。
双回线横联差动保护装置是由电流启动元件和功率方向元件组成,图E-119(a)中,功率方向继电器KPD1和KPD2的电流线圈与电流继电器KA串联接于双回线的电流差上。功率方向继电器KPD1与KPD2加进同一电压(接母线电压互感器),但极性相反。在I1> I2(即同一回线上发生故障)时,左边的方向继电器KPD1的转矩为正,而右边的方向继电器KPD2的转矩为负;反之,在I2> I1 (即另一回线上发生故障)时,KPD2的转矩为正,KPD1的转矩为负。这样两回线路中任一回线路上发生故障时,电流继电器KA均启动保护装置,而两个功率方向继电器则用来判别故障线路。
正常及外部故障时,ⅰ1=ⅰ2、ⅰR =0 、保护不动作。
在线路L-1上K点故障时,ⅰ1>ⅰ2 ,所以ⅰR =ⅰ1-ⅰ2>ⅰs,电流继电器KA1启动,功率方向继电器KPD1触点闭合,KPD2触点不闭合,保护动作跳开断路器QF1。在线路受端,流入继电器的电流ⅰR =ⅰ1 ⅰ2 [见图E-119(b)],使电流继电器KA2、功率方向继电器KPD3动作,而KPD4不动作,从而使断路器QF3跳闸。同理在线路L-2上短路时,送端KA1、KPD2动作,受端KA2、KPD4动作,同时跳开断路器QF2、QF4。
为防止单回线运行时,横联差动保护在外部故障时误动作,保护的直流电源经双回线两个开关的常开辅助触点串联闭锁,只有当两个开关同时接入时,保护才作用。
方向横联差动保护的动作电流应大于穿越性故障时在差电流回路中引起的最大不平衡电流。

5、根据图E-120说明双回线电流平衡保护的构成及工作情况。
电流平衡保护是横联差动保护的另一种形式,它是按比较双回线路中电流的绝对值而工作的,如图E-120所示。电流平衡继电器KBL1、KBL2各有一个工作线圈匝Nw,一个制动线圈匝NB和一个电压线圈匝Nv。KBL1的工作线圈接于线路L-1电流互感器的二次侧,由电流I1产生动作力矩Mw1,其制动线圈接于线路L-2电流互感器的二次侧,由电流I1产生动作力矩MB1。KBL2的工作线圈接于线路L-2电流互感器的二次侧,由I2产生动作力矩Mw2,其制动线圈接于线路L-1电流互感器的二次侧,由I1产生动作力矩MB2。KBL1、KBL2的电压线圈均接于母线电压互感器的二次侧。继电器的动作条件是Mw>MB Mv(Mv为电压线圈中产生的力矩)。
正常运行及外部短路时,由于II=I2,KBL1、KBL2由于其反作用力矩Mv和继电器内弹簧反作用力矩Ms的作用,使触点保持在断开位置,保护不会动作。
当一回线路发生故障(如线路L-1的K点),由于II>I2,并由于电压大大降低,电压线圈的反作用力矩显著减少,因此KBL1中由II产生的动作力矩Mw1大于I2产生的制动力矩MB1与电压产生的制动力矩Mv之和,所以KBL1动作,切除故障线路L-1;对于KBL2,由于流过其制动线圈的电流II大于工作线圈流过电流I2,即制动力矩大于动作力矩,所以它不会动作。
必须指出,单端电源的双回线路上,平衡保护只能装于送电侧,受电侧不能装设。因为任一回线路短路,流过受电侧两个平衡继电器的工作线圈和制动线圈的电流大小是相等的,保护将不起作用。
由于双回平行线横联差动保护及平衡保护,在靠近对侧出口短路时,本侧两条线路流过的电流,其电流的横差值,不足以启动保护,只有等待对侧的保护动作,切除故障后,本侧的非故障线电流降为零,才由故障线电流启动本侧保护,切除故障线路。这种情况被称为相继动作。线路上相继动作区域大小与保护整定值及短路电流有关。
横联差动保护,其方向继电器接有母线电压,在平行线路出口三相短路时,电压为零,如方向继电器的电压回路没有良好的记忆作用,便会误动,称为电压死区。

6、按图E-121说明变压器瓦斯保护的构成及动作过程。
变压器瓦斯保护的主要元件就是瓦斯继电器,它安装在油箱与油枕之间的连接管中。当变压器发生内部故障时,因油的膨胀和所产生的瓦斯气体沿连接管经瓦斯继电器向油枕中流动。若流动的速度达到一定值时,瓦斯继电器内部的挡板被冲动,并向一方倾斜,使瓦斯继电器的触点闭合,接通跳闸回路或发出信号,如图所示
图中:瓦斯继电器KG的上触点接至信号,为轻瓦斯保护;下触点为重瓦斯保护,经信号继电器KS、连接片XE起动出口中间继电器KOM,KOM的两对触点闭合后,分别使断路器QF1、QF2、跳闸线圈励磁。跳开变压器两侧断路器,即
直流 KG KS XE KOM 直流-, 起动KOM。
直流 KOM QF1 YT 直流-,跳开断路器QF1。
直流 KOM QF2 YT 直流-,跳开断路器QF2。
再有,连接片XE也可接至电阻R,使重瓦斯保护不投跳闸而只发信号。

7、根据图E-122说明各符号元件的名称及动作过程。
变压器纵差保护是按循环电流原理构成的,它能正确区分变压器内、外故障,并能瞬时切除保护区内的故障。图E-122表示双绕组变压器纵差保护的单线原理图。变压器两侧分别装设电流互感器TA1和TA2,并按图中所示极性关系进行连接。
正常运行或外部(如图a中d1点)故障时,差动继电器KD中的电流等于两侧电流互感器二次电流之差,要使这种情况下流过差动继电器的电流为零,应恰当选择两侧电流互感器的变比。由于二次额定电流一般为5A,所以电流互感器的变比为:一次额定电流/二次额定电流,UN/5。忽略变压器的励磁电流,则在正常运行或外部故障时,流入差动继电器的电流为零。
当变压器内部,如图b中d2点故障时,流入差动继电器的电流为变压器两侧流向短路点的短路电流(二次值)之和。
实际上,由于变压器的励磁涌流、接线方式和电流互感器的误差等因素的影响,差动继电器中会流过不平衡电流,不平衡电流越大,继电器的动作电流越大,致使纵差保护的灵敏度降低。因此纵差保护需要解决的主要问题之一是采取各种措施避免不平衡电流的影响,在保证选择性的条件下,还要保证内部故障时有足够的灵敏性和速动性。


8、根据图E-123说明三绕组变压器差动保护的构成及工作原理。
三绕组变压器差动保护的动作原理和双绕组变压器差动保护的动作原理是一样的,也是按循环电流原理构成的。正常运行和外部短路时,三绕组变压器三侧电流向量和(折算至同一电压等级)为零。它可能是一侧流入另两侧流出,也可能由两侧流入,而从第三侧流出。所以,若将任何两侧电流相加再去和第三侧电流相比较,就构成三绕组变压器的差动保护。其原理接线如图E123所示。
当正常运行和外部短路时,若不平衡电流忽略不计,则流入继电器的电流为零。
即ⅰR=ⅰI2 ⅰⅡ2 ⅰⅢ2=0
当内部短路时,流入继电器的电流则为
ⅰR=ⅰI2 ⅰⅡ2 ⅰⅢ2=ΣⅰK/na
即等于各侧短路电流(二次值)的总和。
可见在正常及区外短路时,保护不会动作,而发生内部故障时,保护将灵敏动作。
为保证三绕组变压器差动保护的可靠性和灵敏性,应注意以下几点:(1)各侧电流互感器的变比应统一按变压器最大额定容量来选择。
(2)外部短路时的三绕组变压器比双绕组变压器的不平衡电流大,宜采用带制动特性的BCH-1型差动继电器,若BCH-1型仍不满足灵敏度要求,可采用二次谐波制动的差动保护,
(3)为解决实际变比与计算变比不一致而引起的不平衡电流,以保证每两侧线圈之间的平衡,对BCH-1型差动保护,应将两组平衡线圈分别接在二次电流较小的两侧。

9、根据图E-124说明变压器复合电压启动的过电流保护的构成及动作过程。
图E-124中,当保护区内发生不对称故障,系统出现负序电压,负序过滤器13有电压输出使继电器7常闭触点打开,欠压继电器8失压,常闭触点闭合,接通中间继电器9,若电流继电器4、5、6任何一个动作,则启动时间继电器10,经过整定时限后,跳开两侧断路器。在对称短路情况下,电压继电器7不启动,但欠压继电器8因电压降低,常闭触点接通,保护启动。
负序电压整定值,可取额定电压的6%;电流整定值,可取大于变压器额定电流,但不必大于最大电流(例如并联运行的变压器断开一台时)。

10、根据图E-125说明单电源三绕组变压器过电流保护的构成及工作原理。
三绕组变压器外部故障时,其过电流保护应有选择性地断开故障侧断路器。而使其余两侧继续正常运行,为此,应按如下原则来实现过流保护。
(1)对单侧电源三绕组变压器(如图E-111所示),应装设两套过电流保护。一套装于负荷侧,如绕组ⅠⅡⅢ,其动作时限tⅢ最小,保护动作仅跳开QF3。另一套装在电源侧,如绕组Ⅰ,它设两级时限tⅠ和tⅡ,tⅡ= tⅢ Δt,用以切除QF2;而tⅠ= tⅡ Δt,用以切除高、中、低三侧断路器。
(2)对两端或三端电源的变压器,三侧均应设过电流保护,并根据计算值在动作时限小的电源侧加装方向元件,以保证动作的选择性。


11、根据图E-126说明变压器过零序电流保护的构成及工作原理。
对大电流接地系统中的变压器装设的接地零序电流保护,作为变压器主保护的后备保护及相邻元件接地短路的后备保护。如图所示
正常情况下,3Io = 0,TA中没有电流通过,零序电流保护不动作发生接地短路时出现零序电流,当它大于保护的动作电流时,电流继电器KA动作,经KT延时后,跳开变压器两侧断路器。零序电流保护的动作电流,应大于该侧出线零序电流保护后备段的动作电流。保护的动作时限也要比后者大一个Δt。
12、根据图E-127说明变压器中性点直接接地零序电流保护和中性点间隙接地保护的构成及工作原理。
目前大电流接地系统普遍采用分级绝缘的变压器,当变电站有两台及以上的分级绝缘的变压器并列运行时,通常只考虑一部分变压器中性点接地,而另一部分变压器的中性点则经间隙接地运行,以防止故障过程中所产生的过电压破坏变压器的绝缘。为保证接地点数目的稳定,当接地变压器退出运行时,应将经间隙接地的变压器转为接地运行。由此可见并列运行的分级绝缘的变压器同时存在接地和经间隙接地两种运行方式。为此应配置中性点直接接地零序电流保护和中性点间隙接地保护。这两种保护的原理接线如图E-127所示
中性点直接接地零序电流保护:中性点直接接地零序电流保护一般分为两段,第一段由电流继电器1、时间继电器2、信号继电器3及压板4组成,其定值与出线的接地保护第一段相配合,0.5s切母联断路器。第二段由电流继电器5、时间继电器6、信号继电器7和8压板9和10等元件组成,。定值与出线接地保护的最后一段相配合,以短延时切除母联断路器及主变压器高压侧断路器,长延时切除主变压器三侧断路器。
中性点间隙接地保护:当变电站的母线或线路发生接地短路,若故障元件的保护拒动,则中性点接地变压器的零序电流保护动作将母联断路器断开,如故障点在中性点经间隙接地的变压器所在的系统中,此局部系统变成中性点不接地系统,此时中性点的电位将升至相电压,分级绝缘变压器的绝缘会遭到破坏,中性点间隙接地保护的任务就是在中性点电压升高至危及中性点绝缘之前,可靠地将变压器切除,以保证变压器的绝缘不受破坏。间隙接地保护包括零序电流保护和零序过电压保护,两种保护互为备用。

零序电流保护由电流继电器12、时间继电器13、信号继电器14和压板15组成。一次启动电流通常取100A左右,时间取0.5s。110kV变压器中性点放电间隙长度根据其绝缘可取115~158mm,击穿电压可取63kV(有效值)。当中性点电压超过击穿电压(还没有达到危及变压器中性点绝缘的电压)时,间隙击穿,中性点有零序电流通过,保护启动后,经0.5s延时切变压器三侧断路器。
零序电压保护由过电压继电器16、时间继电器17、信号继电器18及压板19组成,电压定植按躲过接地故障母线上出现的最高零序电压整定,110kV系统一般取150V;当接地点的选择有困难、接地故障母线3Uo电压较高时,也可整定为180V,动作时间取0.5s。