引下线和防雷接地装置
|
1.引下线
引下线是防雷装置的中间部分,为满足机械强度、耐腐蚀和热稳定的要求,引下线常用镀锌圆钢或扁钢制成。如用圆钢,直径≥8mm;如用扁钢,截面≥12mm ×4mm;如用钢绞线 作 引 下 线, 其 截 面 ≥ 25mm; 如 用 铜 导 线, 其 截面≥16mm。 采用多条引下线时,第一类和第二类防雷建筑物至少应有两条引下线,其间距分别不得大于 12m 和 18m;第三类防雷建筑物周长超过 25m 或高度超过 40m 时,也应有两条引下线, 其间距不得大于 25m。采用多条引下线时,每条引下线距地面0.3 ~ 1.8m 处应设断接卡,以便测量接地电阻。引下线截面锈蚀 30% 以上者应予以更换。 2.防雷接地装置 防雷接地装置是防雷装置的地下部分,与一般接地装置的要求大体相同,但其所用材料的最小尺寸应稍大于一般接地装置的最小尺寸。除独立避雷针外,在接地电阻满足要求的前提下,防雷接地装置可以和其他接地装置共用。 (1) 防雷接地装置材料 防雷接地装置材料采用角钢和垂直接地极时,一般多用 50mm ×50mm ×5mm 角钢;如用钢管,一般多用直径 50mm、壁厚不小于 3.5mm 的钢管;如用圆钢直径不应小于 12mm;当用扁钢作水平接地极时,其最小 截面为 100mm,厚度不宜小于 4mm。 ① 防直击雷的接地电阻。独立避雷针的冲击接地电阻一般应不大于 10Ω;附设接闪器每一引下线的冲击接地电阻一般也应不大于 10Ω,但对于不太重要的第三类建筑物可放宽至 30Ω。 ② 防感应雷的接地电阻。工频接地电阻应不大于 10Ω。 (3) 冲击换算系数 工频接地电阻与冲击接地电阻的比值称为冲击换算系数,即 式中 A———冲击换算系数; Rf———工频接地电阻; Rs———冲击接地电阻。 冲击换算系数按图1所示计算。图中接地体有效长度按下式计算,即 式中 L e———接地体有效长度,m; ρ———土壤电阻率,Ω·m。
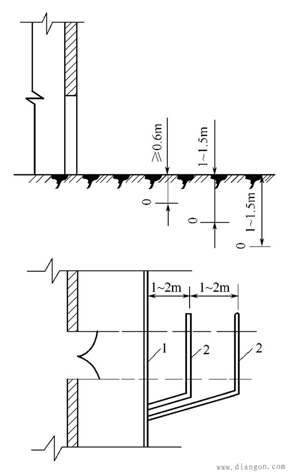
图1 冲击换算系数计算图 (4) 抑制跨步电压 为了防止跨步电压伤人,防直击雷接地装置距建筑物和构筑物出入口和人行横道的距离应不小于3m。当小于 3m 时,应采取下列措施之一。 ① 水平接地体局部深埋 1m 以上。 ③ 铺设宽度超出接地体 2m、厚 50 ~ 80mm 的沥青路面。 图2 帽檐式均压条 (5) 防止 “反击” 当雷电击到避雷针时,雷电流经过接地装置通入大地,若接地电阻过大,通过雷电流时,电位将升得很高,因此,与该接地装置相连的电气设备外壳、杆塔等将有很高的对地电位。这个电位作用在设备或线路的绝缘上,可能使绝缘击穿,并使设备内的带电导线及线路产生过电压,这种接地导体由于电位升高反过来向带电导体放电的现象,叫做“反击”。为了防止 “反击”,必须采取下列措施。 ① 避雷针接地必须良好,接地电阻应限制在上述要求范围内,一般不宜大于 10Ω。 ② 独立避雷针与变、配电装置空间距离及地下接地装置之间的距离应符合下式要求 ds≥0.3Rs 0.1h de≥0.3Rs 式中 ds———空间距离,m,不宜小于 5m; Rs———避雷针冲击接地电阻,Ω; h———避雷针校验点的高度,m; de———地中距离,m,不宜超过 3m。 ③ 35kV 以下变电所 (站) 的避雷针,不宜装在厂房顶上或变电所 (站) 母线构架及其他被保护的建筑物上,应单独装设支架,支架与被保护物之间的距离不得小于 5m。 ④ 避雷针构架上不应挂设其他用途的线路,如照明线、电话线等。变、配电所(站) 如需要利用独立避雷针构架装设照明灯时,导线应采用金属护套电缆,电缆金属护套应与接地装置相连接,且埋入地中的长度不应小于 10m。 |












