LC并联谐振电路的频率响应
时间:2023-03-10来源:佚名
|
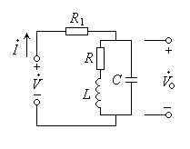
LC 并联谐振电路如图1(a)所示。显然输出电压是频率的函数 ![]() 输入信号频率过高,电容的旁路作用加强,输出减小;反之频率太低,电感将短路输出。并联谐振曲线如图1(b)所示。
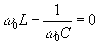
谐振时
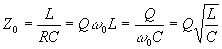
![]() 谐振时,LC 并联谐振电路相当一个电阻。 | ||||||||
|
LC 并联谐振电路如图1(a)所示。显然输出电压是频率的函数 ![]() 输入信号频率过高,电容的旁路作用加强,输出减小;反之频率太低,电感将短路输出。并联谐振曲线如图1(b)所示。
谐振时
![]() 谐振时,LC 并联谐振电路相当一个电阻。 | ||||||||








