基本共射放大电路的特点
时间:2023-03-10来源:佚名
|
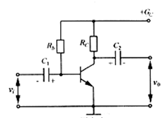
典型的基本共射放大电路
组成:电路结构 VT 电流放大元件 UCC 直流电源。与 RB、RC 配合,保证管子的发射极正偏、集电极反偏;为输出信号提供能量。 RB 基极偏置电阻。与 UCC 配合,为晶体管提供合适的基极电流。 RC 集电极负载电阻。将晶体管的电流放大作用转化为电压放大。 C1.C2 耦合电容。“隔直通交”。 发射极是输入、输出回路的公共端。
2. 电路组成:(1)三极管T; (3)RC:将IC的变化转换为Vo的变化,一般几K~几十K。 VCE=VCC-ICRC RC ,VCC 同属集电极回路。 (4)VBB:为发射结提供正偏。
|









