对数运算电路
时间:2023-03-10来源:佚名
|
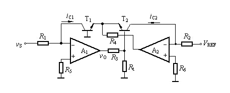
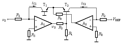
1.对数运算电路 图 1 利用半导体PN结的指数型伏安特性,可以实现对数运算。实用时常将BJT的集电极与基极短路。接成二极管形式,则在一个相当宽广的范围内(如IC从10–9~10–3A),集电极电流IC与发射极电压VBE之间具有较为精确的对数关系。BJT的iC~vBE的关系为 2.具有温度补偿电路 图 2 由于VT和IES对温度敏感,输出电压温漂较严重,为此,实际的对数电路都采用温度补偿电路。图2所示电路可以实现温度补偿。图中T1、T2两管发射结电压分别为 |



,
,可得



,则





