用plc实现下图所示方波的2分频
1、可编程控制器的硬件连接 根据前面的学习,再依据图中的标示,同学们可以自己画出输入及输出端口的分配,在这不加深述。
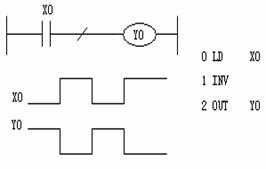
2、软件设计

知识点链接: 1、取反指令INV

该指令用于运算结果的取反。当执行该指令时,将INV指令之前存在的如LD、LDI等指令的运算结果反转
2、置位与复位指令SET、RST
SET为置位指令:使动作保持
RST为复位指令:使操作保持复位
3、脉冲输出指令PLS、PLF

PLS指令:在输入信号上升沿产生脉冲输出
PLF指令:在输入信号下降沿产生脉冲输出
4、空操作指令NOP NOP为空操作指令,该指令是一条无动作、无目标元件占一个程序步的指令。空操作指令使该步序作空操作。用NOP指令替代已写入指令,可以改变电路。在程序中加入NOP指令,在改动或追加程序时可以减少步序号的改变。执行完清除用户存储器的操作后,用户存储器的内容全部变为空操作指令。
5、程序结束指令END END是一条无目标元件占一个程序步的指令。PLC反复进行输入处理、程序运算、输出处理,若在程序最后写入END指令,则END以后的程序步就不再执行,直接进行输出处理。在程序调试过程中,按段插入END指令,可以顺序扩大对各程序段动作的检查。采用END指令将程序划分为若干段,在确认处于前面电路块的动作正确无误之后,依次删去END指令。要注意的是在执行END指令时,也刷新监视时钟。 |