互感电压与同名端
时间:2023-03-10来源:佚名
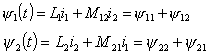
|
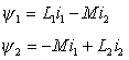
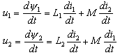
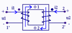
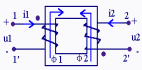
当实际两个电感线圈距离很近,就会有磁场能量的耦合。我们知道变化的磁场可以在电感线圈中产生感应电压,因此在一个线圈中的变化的电流就可以在另一个线圈中产生变化的电压,称这样两个电感线圈为耦合电感。 耦合互感的实际电路示意图如上,其中两个电流产生的磁链方向一致。我们可以写出两个线圈上的磁链 每个线圈上的感应电压分为两项,自感电压和互感电压: 互感电压是另外一个线圈中变化的电流在本线圈上的感应电压。在一定条件下,该互感电压与另外线圈电流的变化率成比例,比例系数称为互感系数,简称互感 M12=M21=M , 单位为亨利 (H)。 如果两个线圈电流产生的磁链方向不一致,如下图所示 则互感电压的极性相反 可以看出 1. 每个端口电压包含两项:自感电压和互感电压。 2. 在关联的参考方向下,端口电流产生的自感电压项为正,而对互感电压的贡献正负,取决于两电流产生的磁通方向是否一致。 3.为便于判断互感电压方向,引入同名端的概念。 同名端——互感元件两个端口的一对端子,当电流分别从这对端子流入(或流出)时所产生的磁通方向一致。在端口上用一对圆点或特殊符号标出同名端,可以避免用线圈内部结构判断互感电压极性,从而可能建立互感元件电路模型。 |








