时间继电器控制双速电动机自动加速控制电路图解
时间:2023-03-11来源:佚名
|
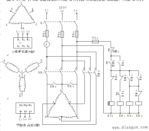
图是时间继电器控制的双速电动机自动加速控制电路图。双速电动机在机床,诸如车床、铣床等中都有较多应用。双速电动机是由改变定子绕组的磁极对数来改变其转速的。如图主电路所示,若将出线端1、2、3接电源,4、5、6悬空。每相绕组中两线圈串联,有四个极对数,低速运行;如将出线端1、2、3短接,4、5、6接电源,每相绕组中两线圈并联,极对数减半,有两个极对数,高速运行。起动时,按起动按纽SB2,KT2立即得电、KM1、KA1得电自保,电动机低速起动;KA1得电后,KT2失电并开始计时;当延时时间到,KM1失电,KM2得电,电动机高速运行;自动完成加速控制双速电动机的加速控制。
|









