窗口比较器电路图解
时间:2023-03-11来源:佚名
|
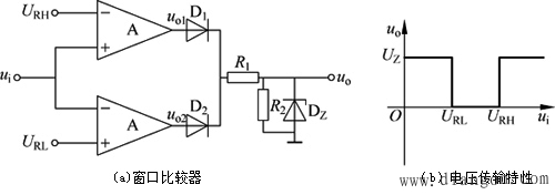
单限电压比较器和滞回电压比较器在输入电压ui单一方向变化时,输出电压uo只跃变一次。因此只能检测出ui与一个参考电压值的大小关系。如果要判断ui是否在两个给定的电压之间,就要采用窗口比较器。图1(a)是一种窗口比较器,外加参考电压URH>URL,R1、R2和稳压管DZ构成限幅电路。
当输入电压ui>URH时,uo1= UOM,uo2=﹣UOM,因而二级管D1导通、D2截止,所以电路的输出电压uo=UZ。 当输入电压uiRL时uo1=﹣UOM,uo2= UOM,因而二级管D1截止、D2导通,所以电路的输出电压uo=UZ。 当输入电压URLiRH时,uo1=﹣UOM,uo2=﹣UOM,因而二级管D1和D2都截止,所以电路的输出电压uo=0。 窗口比较器的电压传输特性如图1(b)所示。 通过以上3种电压比较器的分析,可得出以下结论。 ①在电压比较器中,集成运放多工作在非线性区,输出电压只有高电平和低电平两种可能的情况。 ②一般用电压传输特性来描述输出电压与输入电压的函数关系。 ③电压传输特性的3个要素是输出电压的高电平、低电平,阀值电压和输出电压的跃变方向。输出电压的高电平、低电平决定于限幅电路;阀值电压是使输出电压uo从高电平跃变为低电平或者从低电平跃变为高电平的某一输入电压;ui等于阀值电压时输出电压的跃变方向决定于同相输入端和反相输入端的相对大小关系。 |








