直流通道和交流通道
时间:2023-03-11来源:佚名
在图1中,由于直流电源UCC的存在,电路中必然有直流电在流动,同时有交流输入信号us的加入,所以电路中又有交流信号在流动。为了便于区分,表1中约定了直流量和交流量的符号。 表1 直流电和交流电的符号
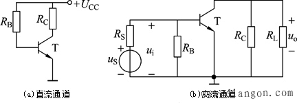
由表1可见,习惯上对于直流分量采用大写的字母和大写的下标表示;对于交流分量采用小写的字母和小写的下标表示;对于信号全量(直流分量 交流分量)采用小写的字母和大写的下标表示; 由于耦合电容的存在,直流量所流过的通路和交流量所流过的通路是不同的。在研究电路性能时,通常将直流电源对电路的作用和输入交流信号对电路的作用区分开,分成直流通路和交流通路。 直流通道是指输入信号us为零时在直流电源作用下直流电流流经的通路,也是静态电流流经的通道,用于研究静态工作点。 直流通路的处理原则:①电容视为断路;②电感视为短路。③交流信号源视为短路,但应保留其内阻。 交流通道是在输入信号作用下交流信号流经的通路,用于研究动态参数。 交流通路的处理原则:①耦合电容视为短路。②无内阻的直流电源视为短路。 按照直流通路和交流通路的原则,对于图所示放大电路,将耦合电容C1和C2开路后的直流通路如图2(a)所示。从图中可以看出直流量与信号源内阻和输出负载电阻RL均无关。将耦合电容C1、C2和直流电压UCC短路后,交流通路如图2(b)所示。由于UCC对地短路,所以电阻RB和RC对应一端变成接地点了。这时输入信号电压us加在基极和公共接地端,输出信号电压uo取自集电极和公共接地端。发射集是输入回和输出回路的公共端,所以称为共射放大电路。
| ||||||||||||||||||







