三速、四速变换调速接法
时间:2023-03-11来源:佚名
|
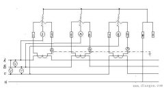
将前述的双速电动机再增加一组单速绕组,则成为3速电动机;若再增加一组双速绕组,则成为4速电动机,例如,12/8/6/4极四速接法。国产YD系列三速电动机电气控制原理图如图6-16,四速电动机电气控制原理图见图6-17(图中略去了部分辅助电路,如热继电器保护、转换开关、电流表、电压表等)。
![]() |
|
将前述的双速电动机再增加一组单速绕组,则成为3速电动机;若再增加一组双速绕组,则成为4速电动机,例如,12/8/6/4极四速接法。国产YD系列三速电动机电气控制原理图如图6-16,四速电动机电气控制原理图见图6-17(图中略去了部分辅助电路,如热继电器保护、转换开关、电流表、电压表等)。
![]() |







