如果某一片ROM或RAM的位数够用而数字不够用时,应采用字扩展的连接方式,将多片ROM或RAM组合成字数更多的储存器。
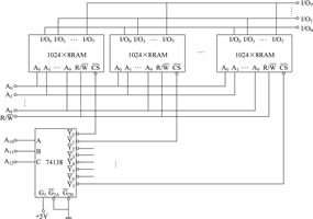
图1 所示为用8片1K×8位RAM构成的8K×8位RAM。
因为8片1K×8位RAM共有1024×8字,故必须给它们编成8K(8×1024)个不同的地址与之对应。然而,每一片1K×8位RAM芯片的地址输入端只有10位(A0~A9),给出的地址范围均为0~1023,无法区分8片RAM中同样的地址单元。因此,必须增加3位地址代码A10、A11、A12,使地址代码增加到13位,才能得到213=8×1024个地址。
 |
| 图1 RAM的字扩展接法 |
如果取第一片RAM的A12A11 A10=000,第二片RAM的A12A11 A10=001,……第八片RAM的A12A11 A10=111,则第八片RAM的地址分配将如表1所示。
| 器件编号 |
A12 A11 A10 |
Y0 |
Y1 |
Y2 |
Y3 |
Y4 |
Y5 |
Y6 |
Y7 |
地址范围 |
| A12A11A10 |
A9A8A7A6A5A4A3A2A0 |
| 等效十进制数 | |
| RMA(1) |
000 |
0 |
1 |
1 |
1 |
1 |
1 |
1 |
1 |
| 000 |
0000000000~000 |
1111111111 |
| 0~1023 | |
| RMA(2) |
001 |
1 |
0 |
1 |
1 |
1 |
1 |
1 |
1 |
| 001 |
0000000000~001 |
1111111111 |
| 1024~2×1024-1 | |
| RMA(3) |
010 |
1 |
1 |
0 |
1 |
1 |
1 |
1 |
1 |
| 010 |
0000000000~010 |
1111111111 |
| 2×1024~3×1024-1 | |
| RMA(4) |
011 |
1 |
1 |
1 |
0 |
1 |
1 |
1 |
1 |
| 011 |
0000000000~011 |
1111111111 |
| 3×1024~4×1024-1 | |
| RMA(5) |
100 |
1 |
1 |
1 |
1 |
0 |
1 |
1 |
1 |
| 100 |
0000000000~100 |
1111111111 |
| 4×1024~5×1024-1 | |
| RMA(6) |
101 |
1 |
1 |
1 |
1 |
1 |
0 |
1 |
1 |
| 101 |
0000000000~101 |
1111111111 |
| 5×1024~6×1024-1 | |
| RMA(7) |
110 |
1 |
1 |
1 |
1 |
1 |
1 |
0 |
1 |
| 110 |
0000000000~110 |
1111111111 |
| 6×1024~6×1024-1 | |
| RMA(8) |
111 |
1 |
1 |
1 |
1 |
1 |
1 |
1 |
0 |
| 111 |
0000000000~111 |
1111111111 |
| 7×1024~8×1024-1 | |
由表1可见,8片RAM的低10位地址是相同的,所以接线时把它们分别并联起来就可以了,由于每片RAM上只有10个地址输入端,所以A10、A11、A12的输入端只好借用 端,如图1所示。其中使用了3-8线译码器74138芯片将A12 A11A10的8中状态分别译成 0~ 7这8个低电平输出信号,然后用它们分别控制8片RAM的 端。
上述字扩展接法同样适用于ROM容量的扩展。
如果一片ROM或RAM的位数和字数都不够用,就需要同时采用位扩展和字扩展方法,用多片ROM或RAM组成一个大的存储器系统,以满足对储存容量的要求。 |