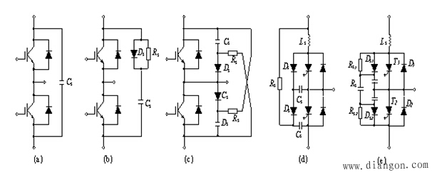
|
缓冲电路的功能有抑制和吸收两个方面,因此图1(a)是这种电路的基本结构,串联的LS用于抑制di/dt的过量,并联的CS用于吸收器件上的过电压,即器件在关断时CS通过快速二极管DS充电,吸收器件上出现的过电压能量,由于电容电压不会跃变,限制了重加dv/dt。当器件开通时CS上的能量经RS泄放。对于工作频率较高、容量较小的装置,为了减小损耗,图1(a)中的RLCD电路,可以简化为图1(b)的形式。装置由RCD网络构成的缓冲电路普遍用于GTR、GTO、功率MOSFET及IGBT等电力电子器件的保护。
 图1
图2所示的几种缓冲电路是上述基本RCD缓冲电路的简化或演变。如图所示,它们既可用于逆变器中IGBT模块的保护,也适用于其他电力电子器件的缓冲保护,但其性能有所不同。
 图2
图2(a)是最简单的单电容电路,适用于小容量的IGBT模块或其他容量较小的器件,但由于电路中无阻尼元件,容易产生振荡,为此CS中可串入RS加以抑制,这种RC缓冲电路在晶闸管的保护中已用得很普遍。 图2(b)是把RCD缓冲电路用于由两只IGBT组成桥臂的模块上,此电路比较简单,但吸收功能较单独使用RCD时略差,多用于小容量元件的逆变器桥臂上。有时还可以把(a)、(b)两种缓冲电路并联使用以增强缓冲吸收的功能。 图2(c)是RS交叉连接的缓冲电路,当器件关断时,CS经DS充电,抑制dv/dt;当器件开通时,CS经电源和RS放电,同时有部分能量反馈回电源,这种电路对大容量的器件,例如400A以上的IGBT模块比较适合。 图2(d)是大功率GTO逆变桥臂上的非对称RLCD缓冲电路。图中限流电感LS经过DS和RS释放磁场能量。GTO关断时,CS经DS吸收能量并经RS把部分能量反馈到电网上去,因此损耗较小,适用于大容量的GTO逆变器。其中CS具有吸收电能和电压箝位双重功能,且效率较高。 图2(e)是三角形吸收电路,其特点是:(1)三只电容器之间几乎不需要连接线,所以寄生电感极小。(2)在电力电子器件工作过程中每只电容器都参与工作,电容器利用率高。(3)电路损耗较小。 缓冲电路引线中的杂散电感必须限制到最小,以防止电力电子器件在关断时出现电压尖峰,并消除杂散电感与缓冲电路中CS构成谐振回路所产生的振荡。所以缓冲电路中的R、C、D等元件也应力求采用无感元件。 |