双闭环调速系统抗负载扰动和抗电网电压扰动的性能
时间:2023-03-14来源:佚名
|
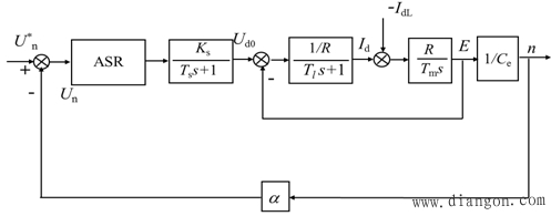
一般来说,双闭环调速系统具有比较满意的动态性能。对于调速系统,最重要的动态性能是抗扰性能。主要是抗负载扰动和抗电网电压扰动的性能。 |
![]() |
| 直流调速系统的动态抗负载扰作用 |
| ② 抗电网电压扰动 |
![]() |
| 直流调速系统的动态抗扰作用 a)单闭环系统 |
![]() |
| b)双闭环系统 |
|
△U d—电网电压波动在整流电压上的反映 |
![]() |
|
因此,电网电压扰动由电流环起调节作用。 |
|
一般来说,双闭环调速系统具有比较满意的动态性能。对于调速系统,最重要的动态性能是抗扰性能。主要是抗负载扰动和抗电网电压扰动的性能。 |
![]() |
| 直流调速系统的动态抗负载扰作用 |
| ② 抗电网电压扰动 |
![]() |
| 直流调速系统的动态抗扰作用 a)单闭环系统 |
![]() |
| b)双闭环系统 |
|
△U d—电网电压波动在整流电压上的反映 |
![]() |
|
因此,电网电压扰动由电流环起调节作用。 |









