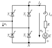
用单相桥式可控整流电路能替代发电机给直流电动机供电,为使电流连续而平稳,在回路中串接大电感Ld称为平波电抗器。这样,一个由单相桥式可控整流电路供电的晶闸管-直流电动机系统就形成了。在正常情况下,它有两种工作状态,其电压电流波形分别示于图1、图2中。 1.变流器工作于整流状态(0< a < p /2) 在图1中,设变流器工作于整流状态。由单相全控整流电路的分析可知,大电感负载在整流状态时Ud=0.9U2cosa,控制角的移相范围为0~90 ° ,Ud为正值,P点电位高于N点电位,并且Ud应大于电动机的反电势E,才能使变流器输出电能供给电动机作电机运行。此时,电能由交流电网流向直流电源(即直流电动机M的反电势E)。

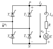
 图1 2.变流器工作与逆变状态(p /2< a < p ) 在图2中,设电机M作发电机运行(再生制动),但由于晶闸管元件的单向导电性,回路内电流不能反向,欲改变电能的传送方向,只有改变电机输出电压的极性。在图2中,反电势E的极性已反了过来,为了实现电动机的再生制动运行,整流电路必须吸收电能反馈回电网,也就是说,整流电路直流侧电压平均值Ud也必须反过来,即Ud为负值,P点电位低于N点电位且电机电势E应大于Ud。此时电路内电能的流向与整流时相反,电动机输出电功率,为发电机工作状态,电位则作为负载吸收电功率,实现了有源逆变。为了防止过电流,应满足E约等于Ud,在恒定励磁下,E取决于电动机的转速,而Ud则由调节控制角a 来实现。

 图2
|