定子串自耦变压器(TM)的降压启动控制
时间:2023-03-15来源:佚名
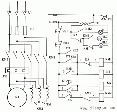
![]() 1.线路构思 电动机启动电流的限制,是依靠自耦变压器的降压作用来实现的。电动机启动时,定子绕组得到的电压是自耦变压器的二次电压,即串接自耦变压器。启动结束后,自耦变压器被切除,电动机便在全电压下稳定运行。通常习惯称这种自耦变压器为XJ01启动补偿器。 2. 工作原理 ![]() ![]() |
![]() 1.线路构思 电动机启动电流的限制,是依靠自耦变压器的降压作用来实现的。电动机启动时,定子绕组得到的电压是自耦变压器的二次电压,即串接自耦变压器。启动结束后,自耦变压器被切除,电动机便在全电压下稳定运行。通常习惯称这种自耦变压器为XJ01启动补偿器。 2. 工作原理 ![]() ![]() |








