电动机双路保险起动器电路的工作原理与元器件选择
|
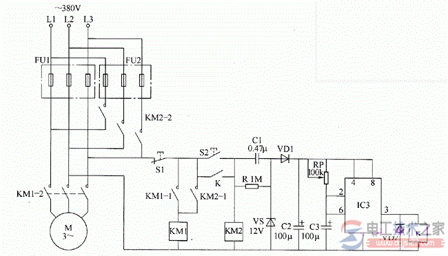
有关电动机双路保险起动器电路的工作原理与元器件选择,防止电动机起动时烧断熔断器,在选用熔断器时,其容量通常为电动机额定电流的2.5倍以上。 电动机双路保险起动器电路三相交流电动机的起动电流比额定电流大得多。 为了防止电动机起动时烧断熔断器,在选用熔断器时,其容量通常为电动机额定电流的2.5倍以上,这不利于电动机在运行过程中的保护。 本例介绍的电动机双路保险起动器,在电动机起动时,两路熔断器同时起作用,可确保熔断器不被烧断; 电动机起动完毕后,其中一路熔断器自动撤去,只有与电动机额定电流相适应的一路熔断器接于电路,这样可使电动机得到有效保护。 1、电路工作原理 该电动机双路保险起动器电路由第1路熔断器FU1、第2路熔断器FU2、停止按钮R1、起动按钮S2、交流接触器KM1、KM2、继电器K、电容器C1~C3 、二极管VD1、VD2、电阻器R、稳压二极管VS、电位器RP和时基集成电路IC组成,如图。
图1 电动机双路保险起动器电路 按下起动按钮52后,KM2吸合,其常开触头KM2-i和KM2ˉ2接通,电动机M起动运转。与此同时,L2、L3两端的交流电压经C1降压、VS稳压、VD1整流及C2滤波后,为IC提供+12V工作电源。 IC通电工作后,由于C3两端电压不能突变,IC的2、6脚为低电平,3脚输出高电平,使K吸合,其常开触头接通。此时松开S2,KM2和K仍维持吸合状态。随后+12V电压经RP对C3充电,使IC的2脚、6脚电压不断上升,当两脚电压达到8V时,IC内电路翻转,3脚变为低电平,K释放,其常开触头断开,使KM2断电释放,附加大电流熔断器FU2被KM2的常开触头断开,电动机仅在熔断器FU1(与电动机额定电流相适应的熔断器)的保护下工作。 调节RP的阻值,使K保持吸合的时间比电动机的起动时间略长即可。 来自:电工技术之家 2、元器件选择 R选用1W金属膜电阻器。 RP选用小型有机实心电位器或可变电阻器。 C1选用耐压值为1000V的涤纶电容器或CBB电容器;C2和C3均选用耐压值为16V的铝电解电容器。 VD1和VD2均选用1N4007型硅整流二极管。 VS选用1W、12V的硅稳压二极管,例如1N4742等型号。 IC选用NE555型时基集成电路。 K选用JQX-4F型12V直流继电器。 S1、S2和KM1、KM2、FU1、FU2应根据电动机的实际功率而定。据M的功率而定。 |









