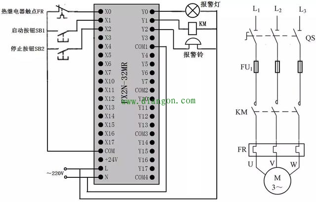
过载报警控制的PLC线路与梯形图
时间:2023-03-06来源:佚名
|
(1)起动控制 按下起动按钮SB1→[1]X001常开触点闭合→[SET Y001]指令执行→Y001线圈被置位,即Y001线圈得电→Y1端子内部硬触点闭合→接触器KM线圈得电→KM主触点闭合→电动机得电运转。 (2)停止控制 按下停止按钮SB2→[2]X002常开触点闭合→[RST Y001]指令执行→Y001线圈被复位,即Y001线圈失电→Y1端子内部硬触点断开→接触器KM线圈失电→KM主触点断开→电动机失电停转。 (3)过载保护及报警控制
|











