

三相异步电动机星角启动相电流、线电流之间的关系:
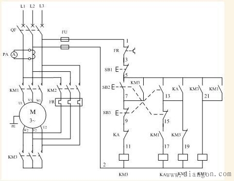
55KW电机的星三角启动为什么只需要选 LC1- D6511M5C,LC1-D6511M5C,LC1-D4011M5C接触器?电动机额定电流为100多安培 现对电动机星—三角工作方式下电动机相电流、线电流之间的关系作一说明: 1. 三角形工作时,相电流I(相)=U(N)/Z Z为每相绕组的电抗 线电流I(线)=I(相)*√3 U(N)为电网电压 2. 星形工作时,线电流I(线)’=相电流I(相)’= U(N)/√3/Z 对于正常工作为三角形工作的电动机,它的额定电流即为三角形工作时的线电流,如果此电机处于星形工作时,它的工作电流 即 线电流I(线)’=相电流I(相)’ = U(N)/√3/Z = I(相)/√3 = I(线)/√3/√3 = I(线)/3 即星形工作时的线电流为三角形工作时的线电流的1/3 55KW电动机的额定电流约为105A,若将主接触器、三角接触器都接于相线回路, 三角形工作时它们所流过的电流为额定电流的1/√3 ,约为105/√3=60A,选用65A的接触器已经够了。而星形工作时的工作电流为电动机额定电流的1/3,即105/3=35A,选用40A的接触器也够了。 以上为电动机星—三角工作交流接触器选择的方法。
热继电器选择 热继电器接于相线回路按额定电流的1/√3大小设定,本例中为 105/√3=60A
星星接法优点:不破坏负载平衡,缺点:电阻大 三角接法优点:电阻小,缺点:如果绕组不一样,或者某个坏了,则破坏三相间的负载平衡。 |