555定时器的电路结构与功能

时间:2023-03-10来源:佚名

555定时器是一种多用途的数字-模拟混合集成电路,利用它能极方便地构成施密特触发器、单稳态触发器和多谐振荡器。由于使用灵活、方便,所以555定时器在波形的产生与变换、测量与控制、家用电器、电子玩具等许多领域中都得到了应用。

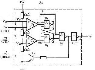
1是国产双极性定时器CB555的电路结构图。它由比较器C1 和C2 、基本RS触发器和集电极开路的放电三极管 555定时器的电路结构与功能 三部分组成。

555定时器的电路结构与功能

1 CB555的电路结构图

555定时器的电路结构与功能 :比较器C1 的输入端(也称阈值端,用TH标注)

555定时器的电路结构与功能 :比较器C2 的输入端(也称触发端,用 555定时器的电路结构与功能 标注)

C 555定时器的电路结构与功能 和C 555定时器的电路结构与功能 的参考电压(电压比较的基准) 555定时器的电路结构与功能 555定时器的电路结构与功能 由V 555定时器的电路结构与功能 经三个5kΩ电阻分压给出。(在控制电压输入端 555定时器的电路结构与功能 悬空时, 555定时器的电路结构与功能 555定时器的电路结构与功能 。如果 555定时器的电路结构与功能 外接固定电压,则 555定时器的电路结构与功能 )

555定时器的电路结构与功能 是置零输入端, 555定时器的电路结构与功能 则输出端 555定时器的电路结构与功能 ,不受其他输入状态的影响。正常工作时必须使 555定时器的电路结构与功能 。图中的数码1~8为器件引脚的编号。通过分析可以得到如下所示的CB555的功能表。

CB555的功能表

输入

输出

555定时器的电路结构与功能

555定时器的电路结构与功能

555定时器的电路结构与功能

555定时器的电路结构与功能

555定时器的电路结构与功能

0

555定时器的电路结构与功能

555定时器的电路结构与功能

导通

1

555定时器的电路结构与功能

555定时器的电路结构与功能

导通

1

555定时器的电路结构与功能

555定时器的电路结构与功能

不变

不变

1

555定时器的电路结构与功能

555定时器的电路结构与功能

截止

1

555定时器的电路结构与功能

555定时器的电路结构与功能

截止

为了提高电路的带负载能力,还在输出端设置了缓冲器G4 如果将 555定时器的电路结构与功能 端经过电阻接到电源上,那么只要这个电阻的阻值足够大, 555定时器的电路结构与功能 为高电平时 555定时器的电路结构与功能 也一定为高电平, 555定时器的电路结构与功能 为低电平时 555定时器的电路结构与功能 也一定为低电平。555定时器能在很宽的电源电压范围内工作,并可承受较大的负载电流。双极性555定时器的电源电压范围为5~16 V,最大的负载电流达200mA。CMOS型7555定时器的电源电压范围为3~18 V,但最大负载电流在4mA以下。

可以设想,如果使 555定时器的电路结构与功能 555定时器的电路结构与功能 的低电平信号发生在输入电压信号的不同电平,那么输出与输入之间的关系将为施密特触发特性;如果在 555定时器的电路结构与功能 加上一个低电平触发信号以后,经过一定的时间能在 555定时器的电路结构与功能 端自动产生一个低电平信号,就可以得到单稳态触发器;如果能使 555定时器的电路结构与功能 555定时器的电路结构与功能 的低电平信号交替地反复出现,就可以得到多谐振荡器。

    相关阅读

    家庭安全用电常识

    电工 论坛为您阐述家庭安全用电常识,目的在于提高用电人员安全意识,要提倡文明守法用电,杜绝各种形式的违章、违法窃电中的触电。 1、严禁私自从公用线路上接线。 2、严禁在...
    2023-03-21

    维修电工面临职场瓶颈期,8000块钱的工资难上加难

    作为一名资深的维修电工,每天都是干着千篇一律的工作,灯管换了换灯管,插座换了换插座,水龙头换了就去换水龙头……每天都是重复着没有技术含量的工作。工作了十多年,拿着...
    2023-04-04
    维修电工面临职场瓶颈期,8000块钱的工资难上加难

    12V电机驱动电路设计

    单MOS管驱动电路,采用P75NF75为主构成。 12V电机驱动电路 双MOS管电机驱动电路设计,采用D4184管组合。 12V电机驱动电路 半桥驱动电路设计,采用BTS7960芯片,两路半桥构成全桥驱动电路...
    2023-10-16
    12V电机驱动电路设计

    接近开关和高速计数器常用的转速计算方法

    (1)M法:是在一定时间间隔内,对光电码盘输出脉冲数进行计数,并计算出转速,适用于发电机转速的高速测量。 (2)T法:是通过测量光电码盘的脉冲周期来计算电机转速的一种测量方法...
    2023-03-21

    三相异步电机故障检测方法

    一,电动机 不能启动: 1, 电动机不转且没有声音:电源 或者绕组有两相或两相以上断路,首先检查电源是否有电压,如果三相电压平衡,那么故障在电动机本身,可检测电动机三相...
    2023-03-21

    热销商品

    加厚abs安全帽电工建筑工地程施工领导监理透气防砸头盔可印字V型

    这款加厚ABS安全帽专为电工、建筑工地施工人员、领导及监理设计,采用高强度ABS工程塑料,抗冲击、防砸性能优异,有效保障头部安全。帽体加厚设计,增强耐用性与防护等级...
    5.8

    欧普led筒灯3w孔灯超薄桶灯吊顶天花灯过道嵌入式洞灯客厅5w

    欧普LED筒灯是一款高品质嵌入式照明产品,适用于客厅、过道、吊顶等多种场景。采用优质LED光源,提供3W和5W两种功率选择,光线柔和均匀,显色指数高,有效还原真实色彩。超...
    7.45

    水口钳高硬度模型剪钳电子钳工业级口水剪斜嘴钳偏口斜口专用钳子

    水口钳高硬度模型剪钳是一款工业级精密工具,专为电子、模型制作及精细作业设计。采用优质高碳钢材质,经热处理工艺打造,具备卓越的硬度和耐磨性,可轻松剪切金属引脚、...
    4.8

    170电子剪钳II 如意斜口钳 工业斜嘴钳水口钳 模型剪塑胶钳尖嘴钳

    170电子剪钳II如意斜口钳是一款专业级精密工具,集工业斜嘴钳、水口钳、模型剪、塑胶钳与尖嘴钳功能于一体,适用于电子维修、模型制作、手工艺及精密作业。其采用优...
    4.5

    安全帽国标工地加厚施工领导透气安全头盔建筑工程监理免费印字

    本款安全帽严格遵循国家GB 2811-2019标准,专为建筑工程、工地施工及监理人员设计。采用高强度ABS工程塑料,加厚壳体有效抗冲击,保障头部安全。帽体轻盈透气,内置可调...
    10

    网站栏目